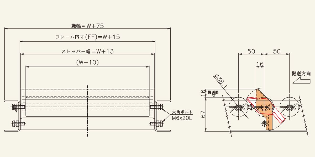
■仕様
| ローラ部型式 | 標準:R-3812PD 丸棒軸 オプション:R-3816・R-3823・RB-3823 |
|---|---|
| ストッパー部仕様 | スチール製 めっき付き(1.6t・3.2t・4.5t) |
| アンチバック部仕様 | 高さ:約80.1mm 幅:32mm |
| ストッパー部寸法 | ローラ上面:約16mm |
| 組込み可能コンベヤ型式 | R-3812P/RZ-3812P/R-3812PE/R-3812PD RZ-3812PD/R-3816/RZ-3816/R-3823NB/RB-3823 |
| 組込み可能ローラ幅 | 100W~1000W |
| 組込み可能ローラピッチ | 50Pから |
■その他


ユーザー名とパスワードをご記入の上、ダウンロードしてください。