Rローラの種類
R:スチール製ローラ |
- |
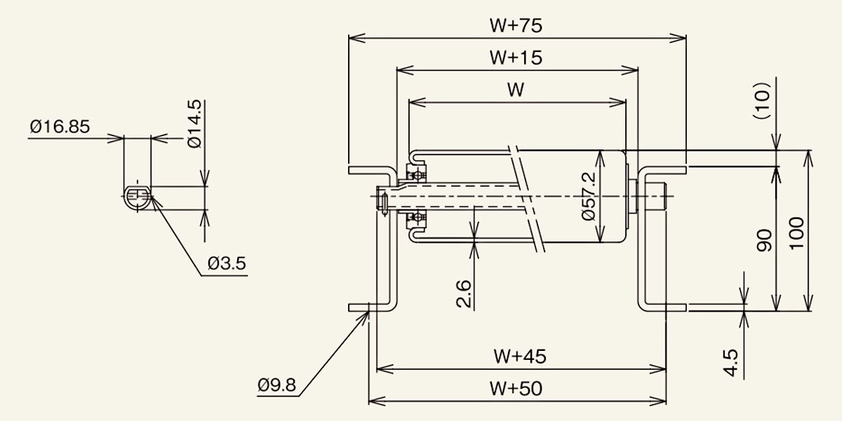
57ローラ外径(Φ)
57:Φ57.2 |
- |
26ローラパイプ肉厚(t)
26:t2.6 |
- |
ベアリングの種類
無記号:削り出しベアリング |
- |
フレーム形状
無記号:下記仕様表参照 |
■仕様
| 【ローラ単品仕様】 コンベヤ型式 |
R-5726 |
|---|---|
| 【ローラ単品仕様】 ローラ単体型式 |
R-5726 |
| 【ローラ単品仕様】 ローラ寸法:外形(φ) |
57.2 |
| 【ローラ単品仕様】 ローラ寸法:肉厚(t) |
2.6 |
| 【ローラ単品仕様】 ローラ寸法:軸穴(φ) |
17.2 |
| 【ローラ単品仕様】 標準ローラ幅(公称)W |
100~1,000 |
| 【ローラ単品仕様】 標準ローラ全長BB |
W+13 |
| 【ローラ単品仕様】 製作可能最短ローラ幅(W) |
100 |
| 【ローラ単品仕様】 製作可能最長ローラ幅(W) |
1,000 |
| 【ローラ単品仕様】 ローラ幅 フリーサイズ |
50とび |
| 【ローラ単品仕様】 ローラ仕様:材質 |
STKM |
| 【ローラ単品仕様】 ローラ仕様:表面処理 |
溶亜鉛めっき |
| 【ローラ単品仕様】 ベアリング:仕様 |
削り出し |
| 【ローラコンベヤ仕様】 フレーム仕様: 高さ×幅×肉厚(I×K×t) |
[90×30×4.5 |
| 【ローラコンベヤ仕様】 フレーム仕様:材質 |
スチール |
| 【ローラコンベヤ仕様】 フレーム仕様:表面処理 |
焼付塗装 |
| 【ローラコンベヤ仕様】 標準機長製作範囲:1000L |
○ |
| 【ローラコンベヤ仕様】 標準機長製作範囲:1500L |
○ |
| 【ローラコンベヤ仕様】 標準機長製作範囲:2000L |
○ |
| 【ローラコンベヤ仕様】 標準機長製作範囲:3000L |
○ |
| 【ローラコンベヤ仕様】 標準機長製作範囲: カーブ 内R900 |
○ |
| 【ローラコンベヤ仕様】 標準ローラ間隔:ピッチP |
75・100・150・200 |
| 【ローラコンベヤ仕様】 機高(ローラ上面)H |
100 |
| 【標準軸仕様】 軸軽(φ)×肉厚(t) 公称(実寸) |
17(16.85)×2.0 |
| 【標準軸仕様】 軸長(mm) |
W+45 |
| 【標準軸仕様】 形状 |
パイプ |
| 【標準軸仕様】 加工 |
丸・半月/ヨコピン穴 |
| 【標準軸仕様】 材質 |
STKM11A |
| 【標準軸仕様】 めっき |
× |
■その他

ユーザー名とパスワードをご記入の上、ダウンロードしてください。