RSローラの種類
RS:ステンレス製ローラ |
- |
57ローラ外径(Φ)
57:Φ57.2 |
- |
15ローラパイプ肉厚(t)
15:t1.5 |
- |
ベアリングの種類
無記号:下記仕様表参照 |
- |
フレーム形状
無記号:下記仕様表参照 |
■仕様
| 【ローラ単品仕様】 コンベヤ型式 |
RS-5715 |
|---|---|
| 【ローラ単品仕様】 ローラ単体 型式 |
RS-5715 |
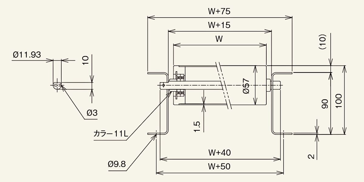
| 【ローラ単品仕様】 ローラ寸法:外径(φ) |
57.0 |
| 【ローラ単品仕様】 ローラ寸法:肉厚(t) |
1.5 |
| 【ローラ単品仕様】 ローラ寸法:軸穴(φ) |
12.0 |
| 【ローラ単品仕様】 ローラ幅:標準ローラ幅(公称) W |
100~800 |
| 【ローラ単品仕様】 ローラ幅:標準ローラ全長 BB |
W+13 |
| 【ローラ単品仕様】 ローラ幅:製作可能最短幅(W) |
50 |
| 【ローラ単品仕様】 ローラ幅:製作可能最長幅(W) |
1000 |
| 【ローラ単品仕様】 ローラ幅:フリーサイズ |
○ |
| 【ローラ単品仕様】 ローラ仕様:材質 |
SUS304 |
| 【ローラ単品仕様】 ローラ仕様:表面処理 |
♯400研磨 |
| 【ローラ単品仕様】 ベアリング:仕様 |
SUS440C 6201ZZ(※フランジ部 樹脂) |
| 【ローラコンベヤ仕様】 フレーム仕様:高さ×幅×肉厚I×K×t |
[90×30×2 |
| 【ローラコンベヤ仕様】 フレーム仕様:材質 |
SUS304 |
| 【ローラコンベヤ仕様】 フレーム仕様:表面処理 |
2B材 |
| 【ローラコンベヤ仕様】 標準機長:機長L 1000 |
○ |
| 【ローラコンベヤ仕様】 標準機長:機長L 1500 |
○ |
| 【ローラコンベヤ仕様】 標準機長:機長L 2000 |
○ |
| 【ローラコンベヤ仕様】 標準機長:機長L 3000 |
○ |
| 【ローラコンベヤ仕様】 標準機長:カーブ 内R900 |
○ |
| 【ローラコンベヤ仕様】 標準ローラ間隔:ピッチ P |
75・100・150 |
| 【ローラコンベヤ仕様】 機高(ローラ上面)H |
100 |
| 【標準軸仕様】 軸軽(φ)×肉厚(t) 公称(実寸) |
12(11.9) |
| 【標準軸仕様】 軸長(mm) |
W+40 |
| 【標準軸仕様】 形状 |
丸棒 |
| 【標準軸仕様】 加工 |
丸・半月/ ヨコピン穴 |
| 【標準軸仕様】 材質 |
SUS304 |
| 【標準軸仕様】 表面処理 |
なし |
■その他

ユーザー名とパスワードをご記入の上、ダウンロードしてください。