RZローラの種類
RZ:スチール製ローラ、フレーム、高耐食溶融めっき鋼板 |
- |
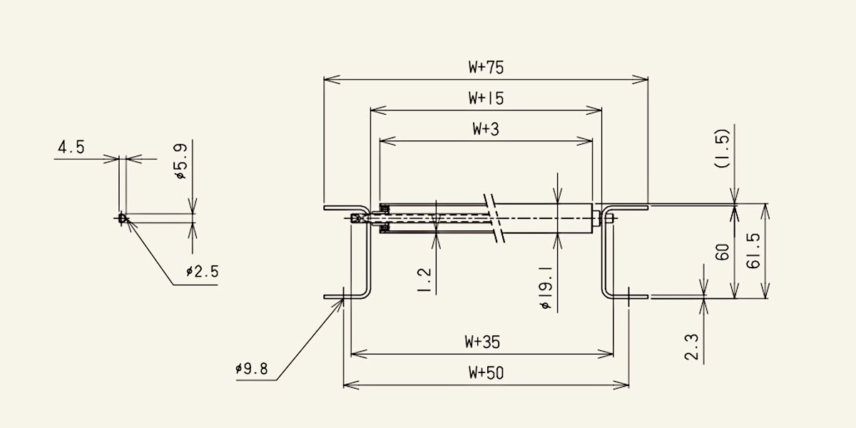
19ローラ外径(Φ)
19:Φ19.1 |
- |
12ローラパイプ肉厚(t)
12:t1.2 |
- |
Pベアリングの種類
P:プレスベアリング |
■仕様
| 【ローラ単品仕様】 コンベヤ型式 |
RZ-1912P |
|---|---|
| 【ローラ単品仕様】 ローラ単体型式 |
RZ-1912P |
| 【ローラ単品仕様】 ローラ寸法:外形(φ) |
19.1 |
| 【ローラ単品仕様】 ローラ寸法:肉厚(t) |
1.2 |
| 【ローラ単品仕様】 ローラ寸法:軸穴(φ) |
6.2 |
| 【ローラ単品仕様】 標準ローラ幅(公称)W |
100~500 |
| 【ローラ単品仕様】 標準ローラ全長BB |
W+13 |
| 【ローラ単品仕様】 製作可能最短ローラ幅(W) |
40 |
| 【ローラ単品仕様】 製作可能最長ローラ幅(W) |
600 |
| 【ローラ単品仕様】 ローラ幅 フリーサイズ |
○ |
| 【ローラ単品仕様】 ローラ仕様:材質 |
STKM12A |
| 【ローラ単品仕様】 ローラ仕様:表面処理 |
溶融亜鉛めっき |
| 【ローラ単品仕様】 ベアリング:仕様 |
プレス |
| 【ローラコンベヤ仕様】 フレーム仕様: 高さ×幅×肉厚(I×K×t) |
[60×30×2.3 |
| 【ローラコンベヤ仕様】 フレーム仕様:材質 |
スチール |
| 【ローラコンベヤ仕様】 フレーム仕様:表面処理 |
溶融めっき |
| 【ローラコンベヤ仕様】 標準機長製作範囲:1000L |
○ |
| 【ローラコンベヤ仕様】 標準機長製作範囲:1500L |
○ |
| 【ローラコンベヤ仕様】 標準機長製作範囲:2000L |
○ |
| 【ローラコンベヤ仕様】 標準機長製作範囲:3000L |
○ |
| 【ローラコンベヤ仕様】 標準機長製作範囲: カーブ 内R900 |
○ |
| 【ローラコンベヤ仕様】 標準ローラ間隔:ピッチP |
20・25・30 |
| 【ローラコンベヤ仕様】 機高(ローラ上面)H |
61.5 |
| 【標準軸仕様】 軸軽(φ)×肉厚(t) 公称(実寸) |
6(5.9)×0.7 |
| 【標準軸仕様】 軸長(mm) |
W+35 |
| 【標準軸仕様】 形状 |
パイプ |
| 【標準軸仕様】 加工 |
丸・半月/タテピン穴 |
| 【標準軸仕様】 材質 |
STKM11A |
| 【標準軸仕様】 めっき |
× |
■その他

ユーザー名とパスワードをご記入の上、ダウンロードしてください。