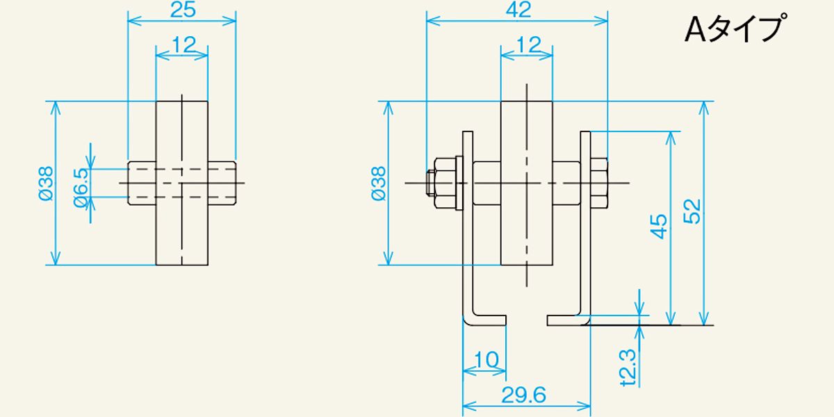
■仕様
| 型式 | W-38TS |
|---|---|
| ホイール寸法 外径D×幅W×軸穴d×ボスb |
38×12×6.5×25 |
| 使用軸 | M6×38L(六角) |
| フレーム形状 形状h×W1×W2×W3×t |
45×29.6× 10×42×2.3 |
| 機高 H | 52 |
| 全長 L | 1,800・2,400・3,000 |
| ホイール間隔 P | 50・75・100・150 |
| カーブ中心径 R | 1,000 ・1,200 |
| ホイール1個当りの耐荷重(kg) | 20 |
| 備 考 | |
| ストレート1000Lの重量目安(kg) 50P | 2.80 |
| ストレート1000Lの重量目安(kg) 75P | 2.46 |
| ストレート1000Lの重量目安(kg) 100P | 2.32 |
| ストレート1000Lの重量目安(kg) 150P | 2.17 |
ユーザー名とパスワードをご記入の上、ダウンロードしてください。