最新更新日 2019年01月30日

製品説明
入力から出力への効率が高く、同サイズのACモーターに比べ、約300%のトルクが得られ、ドライバー内の内部ボリューム設定により1:6の変速もできる、DCモーターローラーです。
・スチール製
・モーターローラ伝達
・中量機種
・[90フレームタイプ
製品画像
型式の選び方
DC-57C
型式及びローラ径
-
1,000(L)
機長(㎜)
-
400(W)
ローラ幅(㎜)
-
100(P)
ローラピッチ(㎜)
仕様

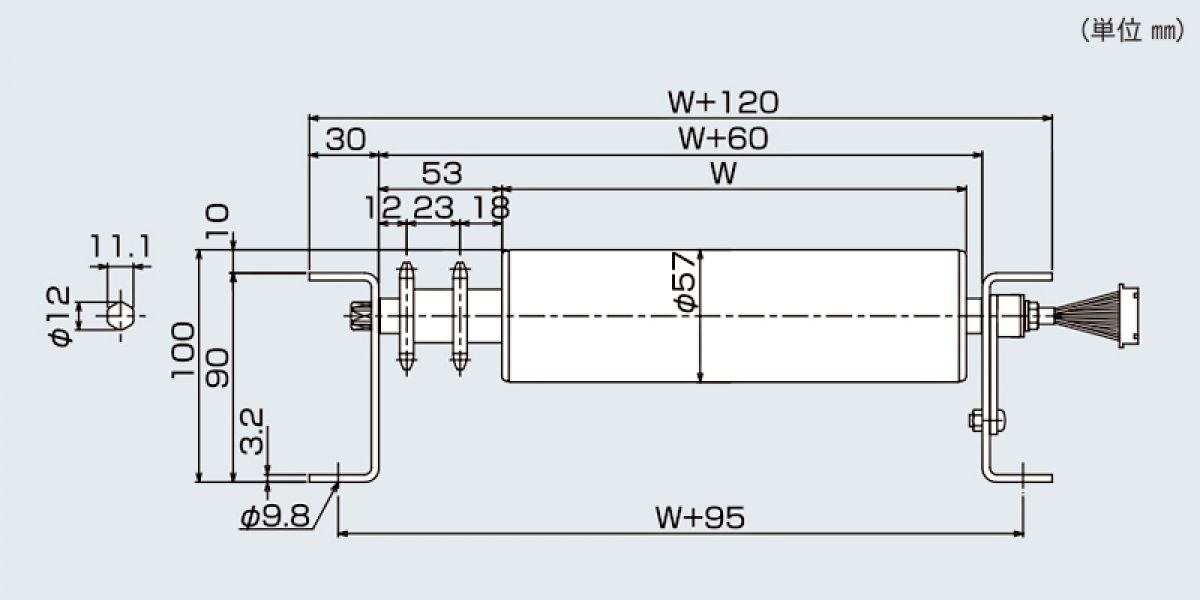
■図面

 

■仕様

型式 DC-57C
駆動方式(連動方式) モーターローラ方式 (#40チェーン)
補助ローラ 外径×肉厚×軸径 57.2×2.1×12 (メッキ付)
ローラ幅(W) 300~1,000 50とび
ローラピッチ(P) ▲75・▲100・▲150
フレーム寸法 [90×30×3.2
機長(L) 1,000(1,050)・1,500・ 2,00(1,950)0・3,000
機幅 ローラ幅+120
搬送速度(V)m/min (周速) 型式:最小:最大
15型:2.3:23.1
20型:3.1:31.6
25型:3.8:38.5
35型:5.6:56.8
45型:6.9:69.3
電源・出力 DC24V(直流)40W/本
※単位 ㎜
※ドライバーカードEZQUBE Eco-mode使用時
※標準以外の仕様も製作いたしておりますのでご相談ください。
※DC-57CのMAX速度=80m/minになります。
※▲呼称チェーンピッチのため、実際のローラピッチとは異なります。
※実際のローラピッチにより、機長寸法は異なりますのでご相談下さい。
※ローラ径Φ57以外も制作いたしておりますのでご相談ください。
お問い合わせ