最新更新日 2019年01月30日
FDC-1型式を表す
|
- |
3,000(L)機長(㎜)
|
- |
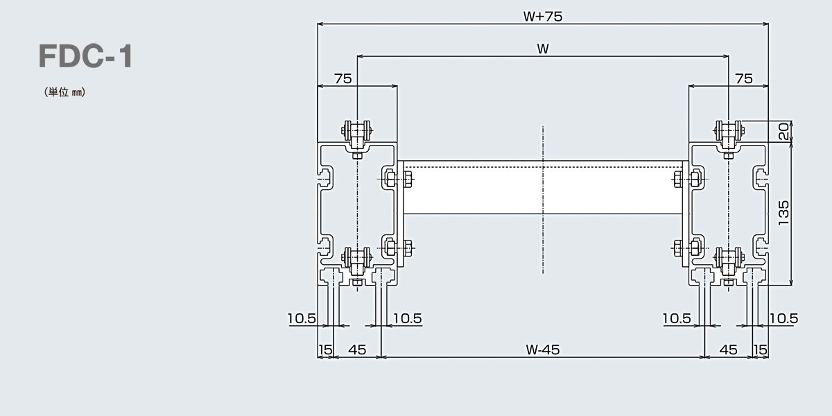
500(W)チェーン幅(㎜)
|
- |
500(H)機高(㎜)ローラ上面
|
■仕様
| 型式 | FDC-1 | FDC-2 |
|---|---|---|
| 使用チェーン | #60 小判型スチールチェーン | #80 小判型スチールチェーン |
| チェーン幅 | min500 | min500 |
| フレーム | アルミ押し出し成形 | アルミ押し出し成形 |
| 機長(L) | max10,000 | max10,000 |
| 機幅 | チェーン幅+75 | チェーン幅+75 |
| 機高(H) | min500 | min500 |
| 搬送能力(kg/m) | max500 | max700 |
| 搬送速度(m/min) | max10 | max7 |
| モーター容量(kw) | 0.4・0.75・1.5 | 0.4・0.75・1.5 |
| 電源 | AC200V(三相) | AC200V(三相) |
■その他


ユーザー名とパスワードをご記入の上、ダウンロードしてください。