最新更新日 2019年01月30日

製品説明
Vベルトが容易に交換でき、乗移りもスムーズにできる移載機です。
製品画像
型式の選び方
SPT-V2
シリーズ
-
TM
型式
-
565(L)
長さ(㎜)
-
2
条数
-
V1
速度
仕様

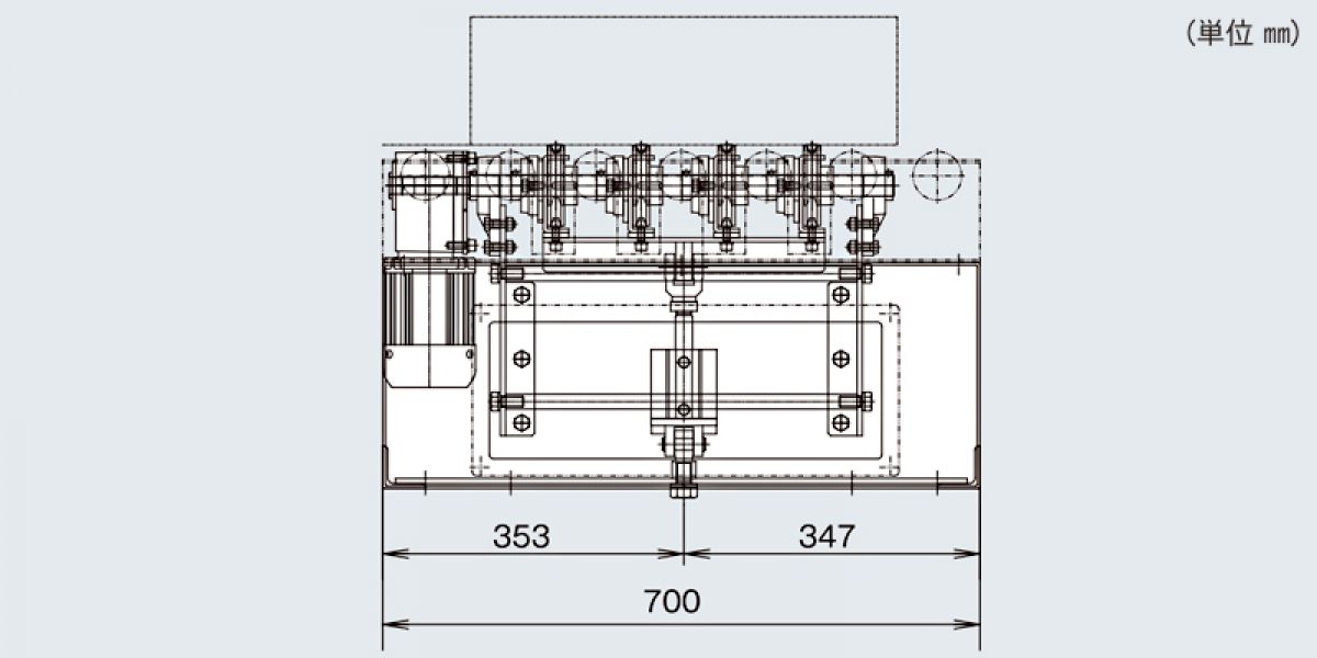
■図面

 

■仕様

型式 SPT-V2-TM
長さ(L) 565~765 (50とび)
搬送能力(㎏) max25(注)
搬送Vベルト パワーツイストプラスA型駆動
モータ容量(kW) 0.1 0.2
エアシリンダ Φ63×35st(エア圧0.4~0.8MPa) オートスイッチ:2ヶ付
注:搬送能力は搬送条件(速度・偏荷重・サイズ・材質等)によって変わります。
  その都度判断・検証する必要がありますのでご相談ください。
※単位 ㎜

■その他

お問い合わせ