製品画像 TCCR-1050-45 ベルトコンベヤ用ローラ T型キャリア用センターローラ ベルト巾1050㎜  トラフ角45° キャリヤローラ単体 コンベヤ
コンベヤ>ベルトコンベヤ>キャリヤローラ>T型キャリヤ用センターローラ/TCCR( トラフ角45°)
TCCR-1050-45

T型キャリア用センターローラ
ベルト巾1050 トラフ角45°

製品説明
製品画像
型式の選び方
TCCR
T型キャリア用センターローラ
-
1050
ベルト巾
-
45
トラフ角
仕様

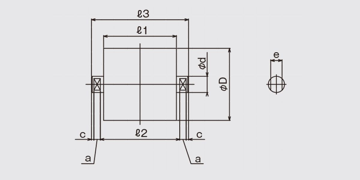
■図面

■仕様

型式 TCCR-1050-45
ベルト巾 1050
D 139.8
ℓ1 250
ℓ2 260
ℓ3 290
c 4
a 11
e 18
d 25
BB No. 6205 ZZ
ローラ重量(kg) 5.3
単位:㎜

■その他

関連製品一覧 トラフ角20° 30°  TCCR-1050-45 ベルトコンベヤ用ローラ T型キャリア用センターローラ ベルト巾1050㎜  トラフ角45° キャリヤローラ単体 コンベヤ

関連製品一覧 トラフ角45° TCCR-1050-45 ベルトコンベヤ用ローラ T型キャリア用センターローラ ベルト巾1050㎜  トラフ角45° キャリヤローラ単体 コンベヤ

ダウンロード
当製品カタログページ

お問い合わせ