ATF型式
|
- |
450サイズ
|
- |
20・30・40・ |
- |
20・30・40・ |
- |
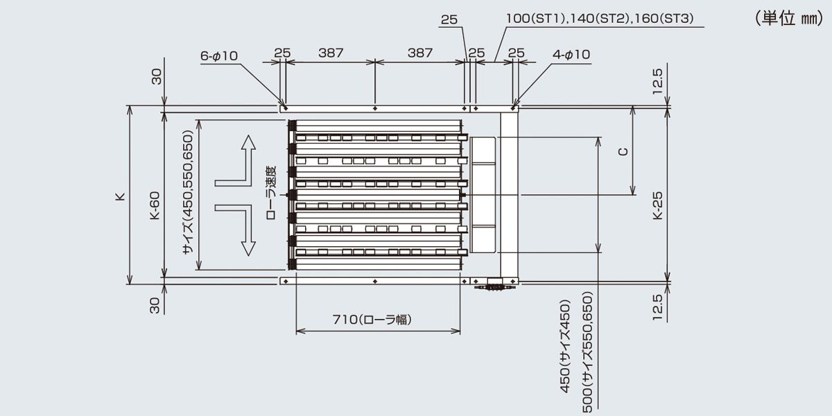
K575機幅(K)
|
- |
C225搬送芯(C)
|
- |
T130高さ(T)
|
- |
ST1ストッパー
|
- |
W1ソレノイドバルブ
|
- |
AS1スイッチ
|
■仕様
| 型式 | AFT |
|---|---|
| サイズ | 450・550・650 |
| 駆動方式 | モーターローラ駆動 |
| 機高 | ST1:H280 ST2:H320 ST3:H340 ST4:H240 |
| 搬送能力(kg) | max30kg |
| 電源 | DC24V 3本 |
| ストッパー | 可動ストッパー(ST1:Φ63、ST2:Φ80、ST3:Φ100) 固定ストッパー(ST4) |
| ストッパ用ソレノイドバルブ 2位置ダブル |
無記号:不要 W1:AC100V用 W2:AC200V用 W3:DC24V用 |
| ストッパ用ソレノイドバルブ 2位置シングル |
無記号:不要 S1:AC100V用 S2:AC200V用 S3:DC24V用 |
| ストッパ用スイッチ | 無記号:不要 AS1:1ヶ AS2:2ヶ (リレー・シーケンサー<DC24V・AC100V>いずれも使用可能) |
| 処理能力(Max) | 1200個/h(分岐100%) 1500個/h(分岐50%) |
■その他

ユーザー名とパスワードをご記入の上、ダウンロードしてください。