製品データ一覧
カタログ一覧
CADデータダウンロードご希望の方
お問い合わせ
TOP
製品情報
会社情報
お客様サポート
採用情報
新卒採用情報
キャリア採用情報
コンベヤパーツ
製品情報
搬送システム製品
コンベヤパーツ
W-20100TS
コンベヤ
>コンベヤ用ホイール>
スチール製プレスホイール
W-20100TS
製品説明・画像
仕様
ダウンロード
お問い合わせ
購入する
W-20100TS
製品説明
外輪・ケースを平板からプレス加工にて製作した比較的に安価なホイールです。
軽軽~中荷重負荷回転に適します。
製品画像
仕様
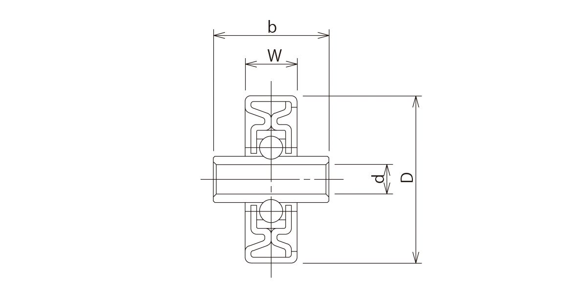
■図面
■仕様
型式
W-20100TS
形状
a
外径:D
20
幅:W
100
軸穴:d
6.1
ボス:b
102
ホイール1個当たりの耐荷重(N)
392
自重g
130
備考
Wベアリング
■その他
↑PAGE TOP
ダウンロード
当製品カタログページ
カタログ該当ページ ダウンロード
↑PAGE TOP
お問い合わせ
お名前:
*
お名前ふりがな:
*
会社名:
*
ご住所:
*
TEL:
*
メール:
*
品番:
お問合せ内容にチェックをしてください。
*
製品についてのお問合せ
データダウンロードパスワードのお申込み
カタログご請求
その他
お問い合わせ内容:
*
送信
↑PAGE TOP
搬送システム製品
グラビティローラコンベヤ
ホイールコンベヤ
ベルゴッチ(ミニベルトコンベヤ)
アラエール(ステンレスコンベヤ)
カップコンベヤ
テーブルリフター
ロボットシステム
バーチカルコンベヤ
装置関係
駆動コンベヤ
エアーリフト
コンベヤパーツ
ベルトコンベヤ用ローラ
金型交換システム
パレット・オリコン・容器洗浄・清掃システム
物流機器
ロールボックス
六輪台車
保管機器
電動式移動棚
ピッキングシステム
物流機器 レンタル
建設関連事業
屋根一体型太陽光 発電システム
駐輪システム
太陽光発電システム
LED
グレーチング
PCカーテンウォール
住宅総合
破砕機
福祉・介護製品
車椅子
シルバーカー
杖(ステッキ)
シャワーベンチ
お客様サポート
製品データ一覧
カタログ請求
目的別Q&A
用語集
×
ダウンロード
×
ユーザー名とパスワードをご記入の上、ダウンロードしてください。
ユーザー名
パスワード
×
ユーザー名とパスワードをご記入の上、ダウンロードしてください。
ユーザー名
パスワード