RTypes of Rollers
R: Steel Roller |
- |
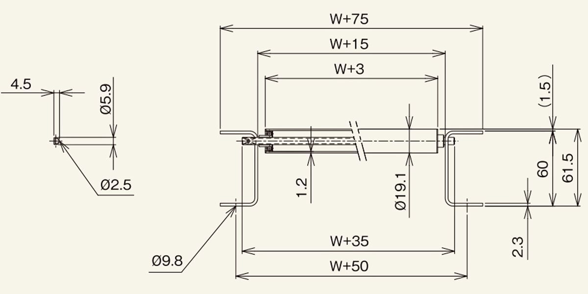
19Roller outer diameter (Φ) 19: 19.1.
|
- |
12Roller Pipe Thickness (t) 12: t1.2
|
- |
PBearing Type P:
Press Bearing |
- |
#Frame Length
|
| Roller Type: | R-1912P |
|---|---|
| Roller Dimensions: Outer Diameter (φ) | 19.1 |
| Roller Dimensions: Thickness (t) | 1.2 |
| Roller Dimensions: Shaft Hole Diameter (φ) | 6.2 |
| Standard Roller Width (Nominal) W: | 100~500 |
| Standard Roller Full Length Boss to Boss (BB): | W+13 |
| Minimum Roller Width Available (W): | 40 |
| Maximum Roller Width Available (W): | 600 |
| Roller Width Free Size: | Available |
| Roller Material: | STKM12A |
| Roller Surface Treatment: | Hot-Dip Galvanizing |
| Bearing Specifications: | Press Bearing |
| Conveyor Specifications | ー |
| Frame Specifications Height x Width x Thickness: | [ 60 x 30 x 2.3 |
| Frame Material: | Steel |
| Frame Surface Treatment: | Baked Paint |
| Standard Product Range, 1000L: | Available |
| Standard Product Range, 1500L: | Available |
| Standard Product Range, 2000L: | Available |
| Standard Product Range, 3000L: | Available |
| Standard Product Range, Curve Inner R900: | Available |
| Standard Roller Pitch P: | 20・25・30 |
| Machine Height (Up to Roller Surface) H: | 61.5 |
| Standard Shaft Specifications | ー |
| Shaft Diameter (φ) x Thickness (t) Nominal (Actual): | 6 (5.9) × 0.7 |
| Shaft Length (mm): | W+35 |
| Shape: | Pipe |
| Machining: | Round/ Half-Moon Shape /Vertical Pin Hole |
| Material: | STKM11A |
| Unit (mm): | Not Available |
| Unit: mm | ー |

Copyright©2021 Makitech Co.,Ltd. All Rights Reserved.