RZローラの種類
RZ:スチール製ローラ、フレーム、高耐食溶融めっき鋼板 |
- |
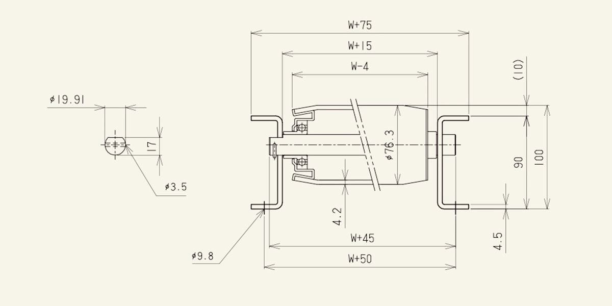
76ローラ外径(Φ)
76:Φ76.3 |
- |
42ローラパイプ肉厚(t)
42:t4.2 |
- |
Nベアリングの種類
N:削り出しベアリング/安価タイプ |
■仕様
| 【ローラ単品仕様】 コンベヤ型式 |
RZ-7642N |
|---|---|
| 【ローラ単品仕様】 ローラ単体型式 |
R-7642N |
| 【ローラ単品仕様】 ローラ寸法:外形(φ) |
76.3 |
| 【ローラ単品仕様】 ローラ寸法:肉厚(t) |
4.2 |
| 【ローラ単品仕様】 ローラ寸法:軸穴(φ) |
20.2 |
| 【ローラ単品仕様】 標準ローラ幅(公称)W |
100~1,000 |
| 【ローラ単品仕様】 標準ローラ全長BB |
W+13 |
| 【ローラ単品仕様】 製作可能最短ローラ幅(W) |
100 |
| 【ローラ単品仕様】 製作可能最長ローラ幅(W) |
1,500 |
| 【ローラ単品仕様】 ローラ幅 フリーサイズ |
○ |
| 【ローラ単品仕様】 ローラ仕様:材質 |
SGP65A |
| 【ローラ単品仕様】 ローラ仕様:表面処理 |
無し/黒皮 |
| 【ローラ単品仕様】 ベアリング:仕様 |
削り出し |
| 【ローラコンベヤ仕様】 フレーム仕様: 高さ×幅×肉厚(I×K×t) |
[90×30×4.5 |
| 【ローラコンベヤ仕様】 フレーム仕様:材質 |
スチール |
| 【ローラコンベヤ仕様】 フレーム仕様:表面処理 |
溶融めっき |
| 【ローラコンベヤ仕様】 標準機長製作範囲:1000L |
○ |
| 【ローラコンベヤ仕様】 標準機長製作範囲:1500L |
○ |
| 【ローラコンベヤ仕様】 標準機長製作範囲:2000L |
○ |
| 【ローラコンベヤ仕様】 標準機長製作範囲:3000L |
○ |
| 【ローラコンベヤ仕様】 標準機長製作範囲: カーブ 内R900 |
○ |
| 【ローラコンベヤ仕様】 標準ローラ間隔:ピッチP |
100・150・200・300 |
| 【ローラコンベヤ仕様】 機高(ローラ上面)H |
100 |
| 【標準軸仕様】 公称径(実寸)(φ) |
20(19.91) |
| 【標準軸仕様】 軸長(mm) |
W+45 |
| 【標準軸仕様】 形状 |
丸棒 |
| 【標準軸仕様】 加工 |
丸・半月/ヨコピン穴 |
| 【標準軸仕様】 材質 |
SS400 |
| 【標準軸仕様】 めっき |
× |
■その他

ユーザー名とパスワードをご記入の上、ダウンロードしてください。