製品データ一覧 カタログ一覧 CADデータダウンロードご希望の方 お問い合わせ
  • TOP
  • 製品情報
    • 製品情報
    • 用途から選ぶ
    • 導入事例
  • 会社情報
  • お客様サポート
  • 採用情報
    • 新卒採用情報
    • キャリア採用情報

コンベヤ グラビティローラコンベヤ

  1. 製品情報
  2. 搬送システム製品
  3. グラビティローラコンベヤ
  4. ローラコンベヤ用スタンド
ローラコンベヤ用スタンド

S-2A型スタンド

コンベヤ ローラコンベヤ用スタンド S-2A型スタンド スチール製グラビティローラコンベヤ(Sシリーズ)

 

コンベヤ ローラコンベヤ用スタンド S-2A型スタンド 仕様一覧 スチール製グラビティローラコンベヤ(Sシリーズ)
コンベヤ ローラコンベヤ用スタンド S-2A型スタンド 図面 スチール製グラビティローラコンベヤ(Sシリーズ)

購入する

価格表

S-2B型スタンド

コンベヤ ローラコンベヤ用スタンド S-2B型スタンド スチール製グラビティローラコンベヤ(Sシリーズ)

 

コンベヤ ローラコンベヤ用スタンド S-2B型スタンド 仕様一覧 スチール製グラビティローラコンベヤ(Sシリーズ)
コンベヤ ローラコンベヤ用スタンド S-2B型スタンド 図面 スチール製グラビティローラコンベヤ(Sシリーズ)

購入する

価格表

S-2FB型スタンド

コンベヤ ローラコンベヤ用スタンド S-2FB型スタンド スチール製グラビティローラコンベヤ(Sシリーズ)

 

コンベヤ ローラコンベヤ用スタンド S-2FB型スタンド 仕様一覧 スチール製グラビティローラコンベヤ(Sシリーズ)
コンベヤ ローラコンベヤ用スタンド S-2FB型スタンド 図面 スチール製グラビティローラコンベヤ(Sシリーズ)

購入する

価格表

SUS-S-2B型スタンド(ステンレス製)

コンベヤ ローラコンベヤ用スタンド SUS-S-2B型スタンド スチール製グラビティローラコンベヤ(Sシリーズ)

 

コンベヤ ローラコンベヤ用スタンド SUS-S-2B型スタンド 仕様一覧 スチール製グラビティローラコンベヤ(Sシリーズ)
コンベヤ ローラコンベヤ用スタンド SUS-S-2B型スタンド 図面 スチール製グラビティローラコンベヤ(Sシリーズ)

購入する

価格表

S-4AO型スタンド

コンベヤ ローラコンベヤ用スタンド S-4AO型スタンド スチール製グラビティローラコンベヤ(Sシリーズ)

 

コンベヤ ローラコンベヤ用スタンド S-4AO型スタンド 仕様一覧 スチール製グラビティローラコンベヤ(Sシリーズ)
コンベヤ ローラコンベヤ用スタンド S-4AO型スタンド 図面 スチール製グラビティローラコンベヤ(Sシリーズ)

価格表

脚上部ブラケット

S-2A型・2B型

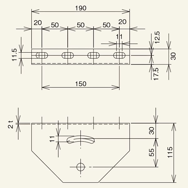
コンベヤ 脚上部ブラケット S-2A型 S-2B型 スチール製グラビティローラコンベヤ(Sシリーズ)

クリックすると拡大します。

S-2FB型

コンベヤ 脚上部ブラケット S-2FB型 スチール製グラビティローラコンベヤ(Sシリーズ)

クリックすると拡大します。

SUS-S-2B型

コンベヤ 脚上部ブラケット SUS-S-2B型 スチール製グラビティローラコンベヤ(Sシリーズ)

クリックすると拡大します。

ダウンロード
カタログ
PDF

搬送システム製品
  • グラビティローラコンベヤ
  • ホイールコンベヤ
  • ベルゴッチ(ミニベルトコンベヤ)
  • アラエール(ステンレスコンベヤ)
  • カップコンベヤ
  • テーブルリフター
  • ロボットシステム
  • バーチカルコンベヤ
  • 装置関係
  • 駆動コンベヤ
  • エアーリフト
  • コンベヤパーツ
  • ベルトコンベヤ用ローラ
  • 金型交換システム
  • パレット・オリコン・容器洗浄・清掃システム
物流機器
  • ロールボックス
  • 六輪台車
  • 保管機器
  • 電動式移動棚
  • ピッキングシステム
  • 物流機器 レンタル
建設関連事業
  • 屋根一体型太陽光 発電システム
  • 駐輪システム
  • 太陽光発電システム
  • LED
  • グレーチング
  • PCカーテンウォール
  • 住宅総合
  • 破砕機
福祉・介護製品
  • 車椅子
  • シルバーカー
  • 杖(ステッキ)
  • シャワーベンチ
お客様サポート
  • 製品データ一覧
  • カタログ請求
  • 目的別Q&A
  • 用語集
TOP 製品情報 会社情報 お客様サポート 採用情報 お問合せ サイトマップ プライバシーポリシー

株式会社 マキテック

愛知県名古屋市熱田区旗屋一丁目9番21号

TEL.052-681-3205  FAX.052-681-3387

ユーザー名とパスワードをご記入の上、ダウンロードしてください。


ユーザー名
パスワード