JRローラの種類
JR:樹脂製ローラ |
- |
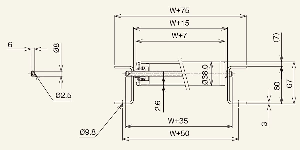
38ローラ外径(Φ)
38:Φ38.0 |
- |
23ローラパイプ肉厚(t)
23:t2.6 |
- |
ベアリングの種類
下記仕様表参照 |
- |
フレーム形状
無記号:下記仕様表参照 |
■仕様
| 【ローラ単品仕様】 コンベヤ型式 |
JR-3823 |
|---|---|
| 【ローラ単品仕様】 ローラ単体 型式 |
JR-3823 |
| 【ローラ単品仕様】 ローラ寸法:外径(φ) |
38.0 |
| 【ローラ単品仕様】 ローラ寸法:肉厚(t) |
2.6 |
| 【ローラ単品仕様】 ローラ寸法:軸穴(φ) |
8.2 |
| 【ローラ単品仕様】 ローラ幅:標準ローラ幅(公称) W |
100~500 |
| 【ローラ単品仕様】 ローラ幅:標準ローラ全長 BB |
W+13 |
| 【ローラ単品仕様】 ローラ幅:製作可能最短幅(W) |
40 |
| 【ローラ単品仕様】 ローラ幅:製作可能最長幅(W) |
500 |
| 【ローラ単品仕様】 ローラ幅:フリーサイズ |
○ |
| 【ローラ単品仕様】 ローラ仕様:材質 |
ABS |
| 【ローラ単品仕様】 ベアリング:仕様 |
樹脂ケース入りSUSボール |
| 【ローラコンベヤ仕様】 フレーム仕様:高さ×幅×肉厚(I×K×t) |
[60×30×3 |
| 【ローラコンベヤ仕様】 フレーム仕様:材質 |
アルミ |
| 【ローラコンベヤ仕様】 フレーム仕様:表面処理 |
アルマイト加工 |
| 【ローラコンベヤ仕様】 標準機長製作範囲:機長 L 1000 |
○ |
| 【ローラコンベヤ仕様】 標準機長製作範囲:機長 L 1500 |
○ |
| 【ローラコンベヤ仕様】 標準機長製作範囲:機長 L 2000 |
○ |
| 【ローラコンベヤ仕様】 標準機長製作範囲:機長 L 3000 |
○ |
| 【ローラコンベヤ仕様】 標準機長製作範囲:カーブ 内R900 |
○ |
| 【ローラコンベヤ仕様】 標準ローラ間隔:ピッチ P |
50・75・100・150 |
| 【ローラコンベヤ仕様】 機高 (ローラ上面)H |
67 |
| 【標準軸仕様】 軸径(φ)×肉厚(t) 公称(実寸) |
8×0.8 |
| 【標準軸仕様】 軸長(mm) |
W+35 |
| 【標準軸仕様】 形状 |
パイプ |
| 【標準軸仕様】 加工 |
丸・半月 タテピン穴 |
| 【標準軸仕様】 材質 |
SUS304 |
| 【標準軸仕様】 表面処理 |
♯400研磨 |
■その他

ユーザー名とパスワードをご記入の上、ダウンロードしてください。