■仕様
| 【ローラ単品仕様】 コンベヤ型式 |
R-TC900 |
|---|---|
| 【ローラ単品仕様】 ローラ単体 型式 |
R-TC900 |
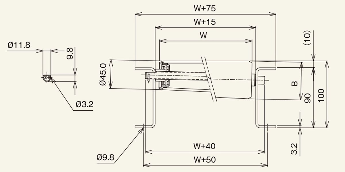
| 【ローラ単品仕様】 ローラ寸法:小径側(φ) |
45.0 |
| 【ローラ単品仕様】 ローラ寸法:大径側B(φ) |
下記表参照 |
| 【ローラ単品仕様】 ローラ寸法:軸穴(φ) |
12.2 |
| 【ローラ単品仕様】 ローラ幅:標準ローラ幅(公称) W |
200~600 |
| 【ローラ単品仕様】 ローラ幅:標準ローラ全長 BB |
W+13 |
| 【ローラ単品仕様】 ローラ幅:製作可能最短幅(W) |
200 |
| 【ローラ単品仕様】 ローラ幅:製作可能最長幅(W) |
600 |
| 【ローラ単品仕様】 ローラ幅:フリーサイズ |
○ |
| 【ローラ単品仕様】 ローラ仕様:材質 |
STKM |
| 【ローラ単品仕様】 ローラ仕様:表面処理 |
ユニクロめっき |
| 【ローラ単品仕様】 ベアリング:仕様 |
削り出し |
| 【ローラコンベヤ仕様】 フレーム仕様:高さ×幅×肉厚I×K×t |
[90×30×3.2 |
| 【ローラコンベヤ仕様】 フレーム仕様:材質 |
スチール |
| 【ローラコンベヤ仕様】 フレーム仕様:表面処理 |
焼付け塗装 |
| 【ローラコンベヤ仕様】 カーブ:内R寸法 |
900 |
| 【ローラコンベヤ仕様】 標準ローラ間隔:ピッチ P |
75・100・150 |
| 【ローラコンベヤ仕様】 機高 (ローラ上面)H |
100 |
| 【標準軸仕様】 軸径(φ)×肉厚(t) 公称(実寸) |
12(11.8)×1.0 |
| 【標準軸仕様】 軸長(mm) |
W+40 |
| 【標準軸仕様】 形状 |
パイプ |
| 【標準軸仕様】 加工 |
丸・半月 ヨコピン穴 |
| 【標準軸仕様】 材質 |
STKM11A |
| 【標準軸仕様】 めっき |
× |
| 【ローラピッチに対するローラ本数】 75P |
23本 |
| 【ローラピッチに対するローラ本数】 100P |
18本 |
| 【ローラピッチに対するローラ本数】 150P |
12本 |
■その他

ユーザー名とパスワードをご記入の上、ダウンロードしてください。