コンベヤ S-5721NB スチール製グラビティローラコンベヤ(Sシリーズ)  NBタイプ
S-5721NB

Sシリーズ
規格ベアリング
樹脂製一体型ボス

製品説明
【用途】
中荷重搬送用

【製品の特徴】
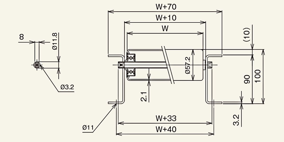
1) ローラ径Φ57.2、肉厚t2.1で、耐衝撃性アップ、ローラ間隔最小P75です。
2) 規格ベアリング、樹脂製一体型ボス。
3) 高耐久、静音タイプ
4) [90型フレーム、標準タイプ
注記1: 連結板は必要時別途指示お願いします。
注記2: ローラ間隔(P)が計算上割り切れない場合、相当ピッチ(P)になります。
製品画像
型式の選び方
S
ローラの種類
S:スチール製ローラ
-
57
ローラ外径(㎜)
57:Φ57.2
-
21
ローラパイプ肉厚(㎜)
21:t2.1
-
NB
ベアリングの種類
NB:規格ベアリング
仕様

■図面

■仕様

名称記号 S-5721NB
ローラ外径(φ)×肉厚(t)
ベアリング
57.2×2.1  めっき付
6201Z ボス付
軸 外径(φ)×肉厚(t)
加工
12(11.8)×1.0  パイプ
両ツブシ
フレーム形状 I×K×t
コンベヤ機高(H)
[90×30×3.2
100
機長 L 1,000・1,500・2,000・3,000
ローラ幅 W 90・150・240・305・390・490・620・690・790・890・990
ローラ間隔 P 75・100・150
カーブ内R R 900
ローラ強度 390W(kg) 120
・単位:mm
ダウンロード
S-5721NB
図面(ストレート)

図面(カーブ)

カタログ

お問い合わせ