製品説明
【製品の特徴】
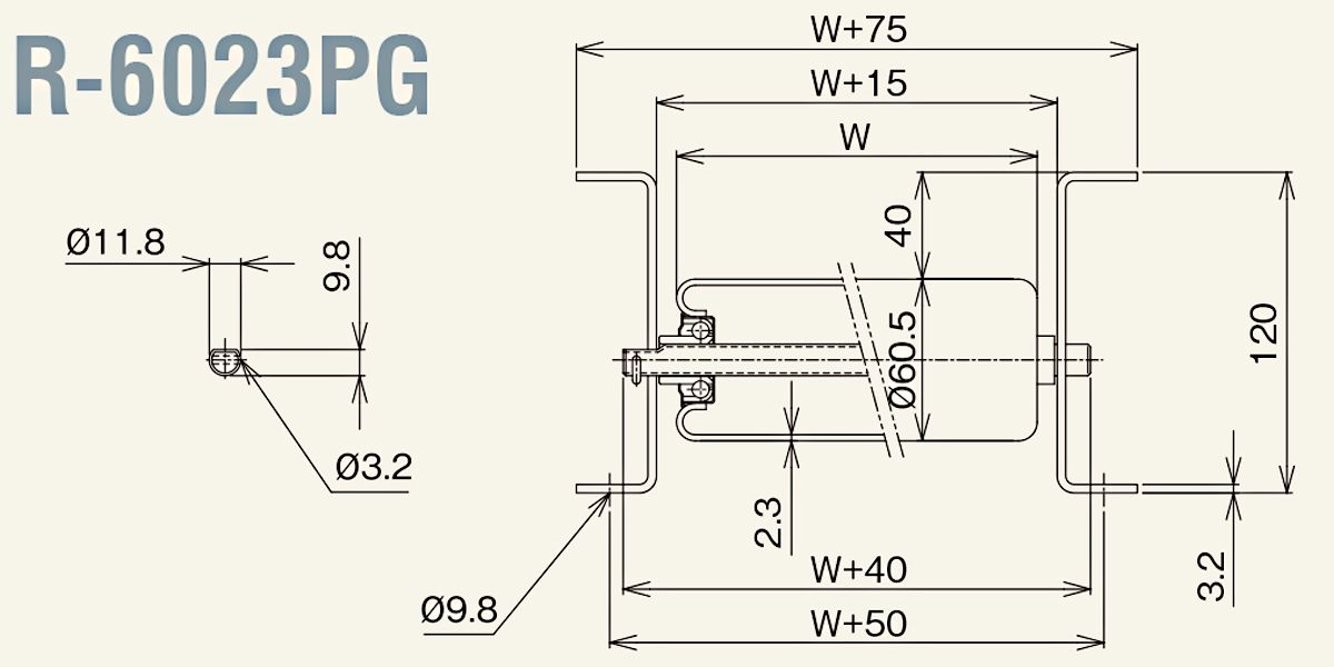
ローラがフレームの中に入り、フレームがガイドを兼用します。
注記1: 連結板(コンベヤ間の連結部材)は、必要時別途指示お願いします。
製品画像
型式の選び方
R
ローラの種類
R:スチール製ローラ
-
60
ローラ外径(Φ)
60:Φ60.5
-
23
ローラパイプ肉厚(t)
23:t2.3
-
P
ベアリングの種類
P:プレスベアリング
-
G
フレーム形状
G:[ガイド兼用フレーム
仕様

■図面

■仕様

型式 R-6023PG
名称記号 R-6023PG
ローラ外径(φ)×肉厚(t)
ベアリング
60.5×2.3 めっき付
プレスベアリング
軸 外径(φ)×肉厚(t)
加工
12(11.8)×1.0 パイプ
丸・半月
フレーム形状 I×K×t
コンベヤ機高(H)
[120×30×3.2
ローラ上面80 ガイド有効40
機長 L 1,000・1,500・2,000・3,000
ローラ幅 W 100~1,000
50とび
ローラ間隔 P 75・100・150・200
カーブ内R R 900
ローラ強度〔400W〕(kg) 110
単位:㎜
ダウンロード
R-6023PG
図面(ストレート)

図面(カーブ)

カタログ

お問い合わせ