ERST2型式
|
- |
200・300・400ストッパープレート(PW)
|
- |
C300C
|
- |
K690K
|
- |
A([90) |
- |
S1コネクタケーブル
|
- |
NM原点仕様
|
- |
PNP配線
|
- |
WAエンコーダー種類
|
- |
WL無線仕様
|
■仕様
| 型式 | ERST2 |
|---|---|
| 駆動方式 | 電動シリンダー方式 |
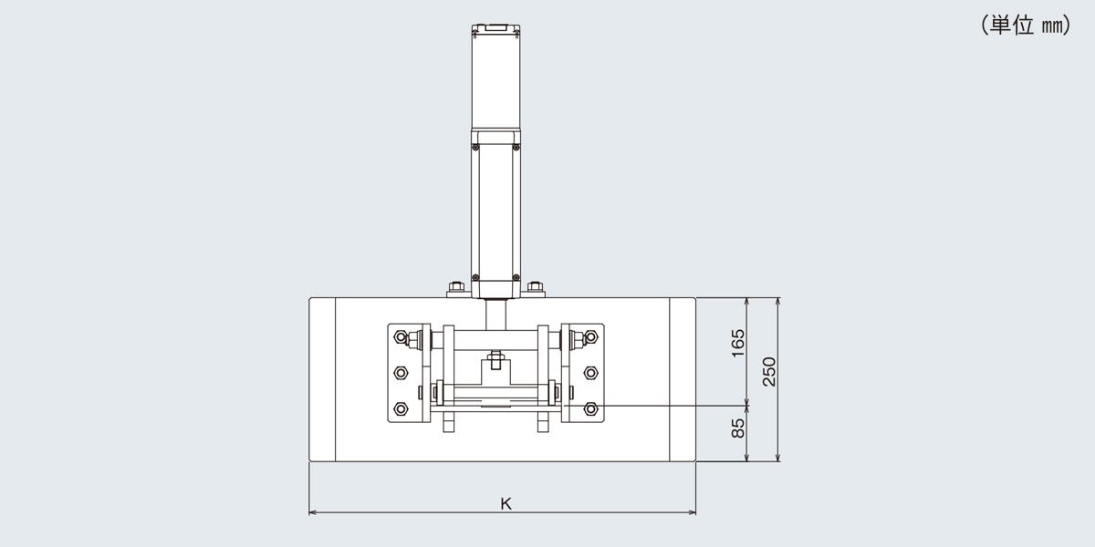
| ストッパープレート幅 | 200W・300W・400W |
| 取付ブラケット | A:[90 B:[120 C:[150 |
| 耐荷重 | 300㎏ (搬送速度 V=MAX 15m/min) |
| シリンダー | IAIエレシリンダー |
| 電源 | DC24V 定格3.5A 最大4.2A ケーブル長さ10m以内 |
| コネクターケーブル(m) (オプション) |
無し:0 標準コネクターケーブル:1~10 4方向コネクターケーブル:S1~S10※ |
| 原点仕様 (オプション) |
上昇端:NM 下降端:無記号 |
| 配線 (オプション) |
制御方式 NPN・PNP |
| エンコーダー種類 (オプション) |
インクリメンタル:無記号 バッテリーレスアブソリュート:WA |
| 無線仕様 (オプション) |
無し:無記号 無線通信仕様:WL 無線軸動作対応仕様:WL2 |
■その他

ユーザー名とパスワードをご記入の上、ダウンロードしてください。